SO:
Idioma:

Descripción

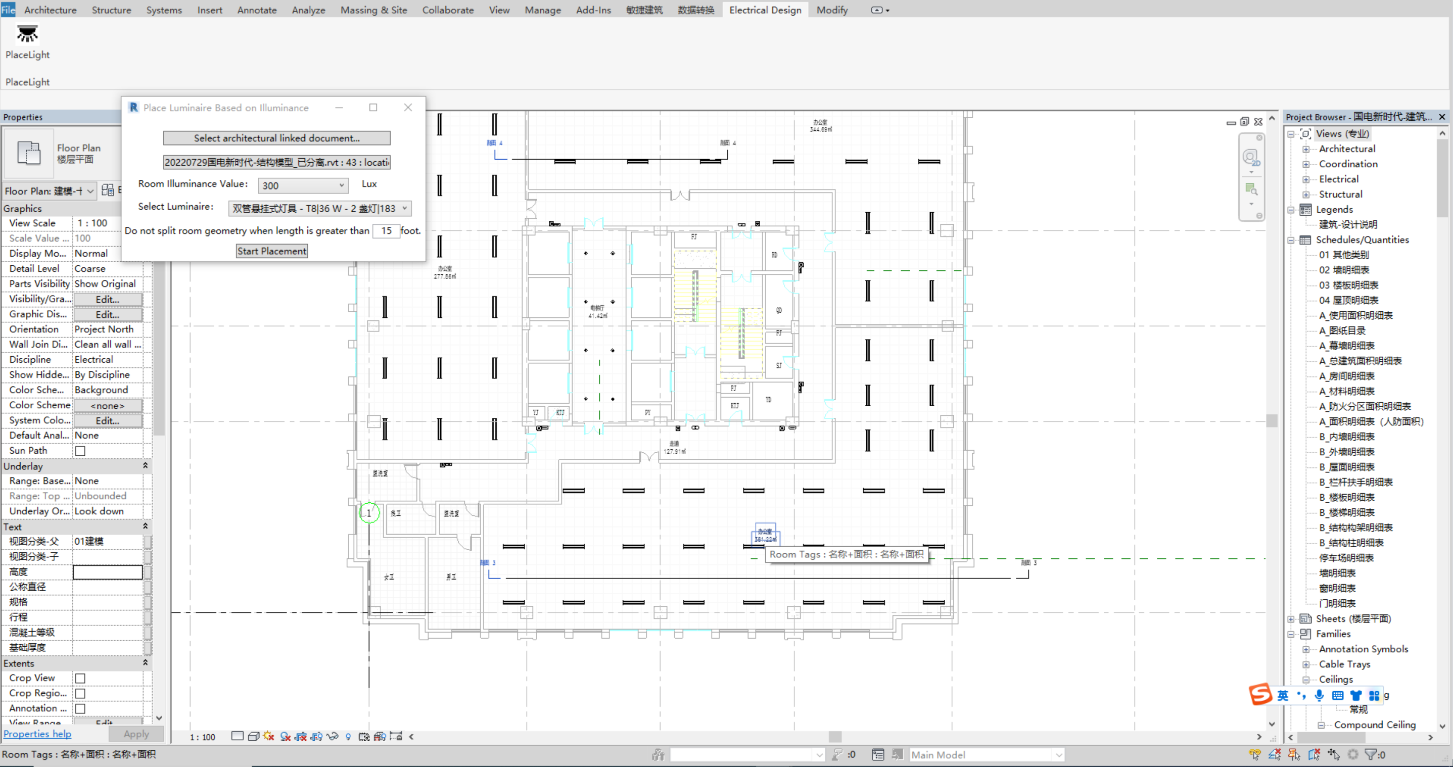
This plugin can arrange lighting fixtures in any shape of a room.

 

The program will automatically calculate the number of lighting fixtures arranged in the room based on the selected illuminance and lighting type and the lighting fixtures will be arranged on the ceiling or floor of the room.

 

This plugin supports building and structural file-linking modes.

Acerca de esta versión

Versión 1.0.0.0, 22/12/2023
Initial Release

Capturas de pantalla y vídeos


Reseñas de clientes

2 reseñas
Obtener ayuda técnica
  • Hi
    Jacques Muller | marzo 23, 2026 Descarga verificada (¿Qué es esto?)

    It is ok to place the light. It is not the best one , but It is able to do the job.


  • HI
    ahmed abuteir | julio 22, 2024

    Is there any update for revit 2025, thanks

Ir arriba