 
            Python for Tri-clamp and coupling
Win64, EnglishGeneral Usage Instructions
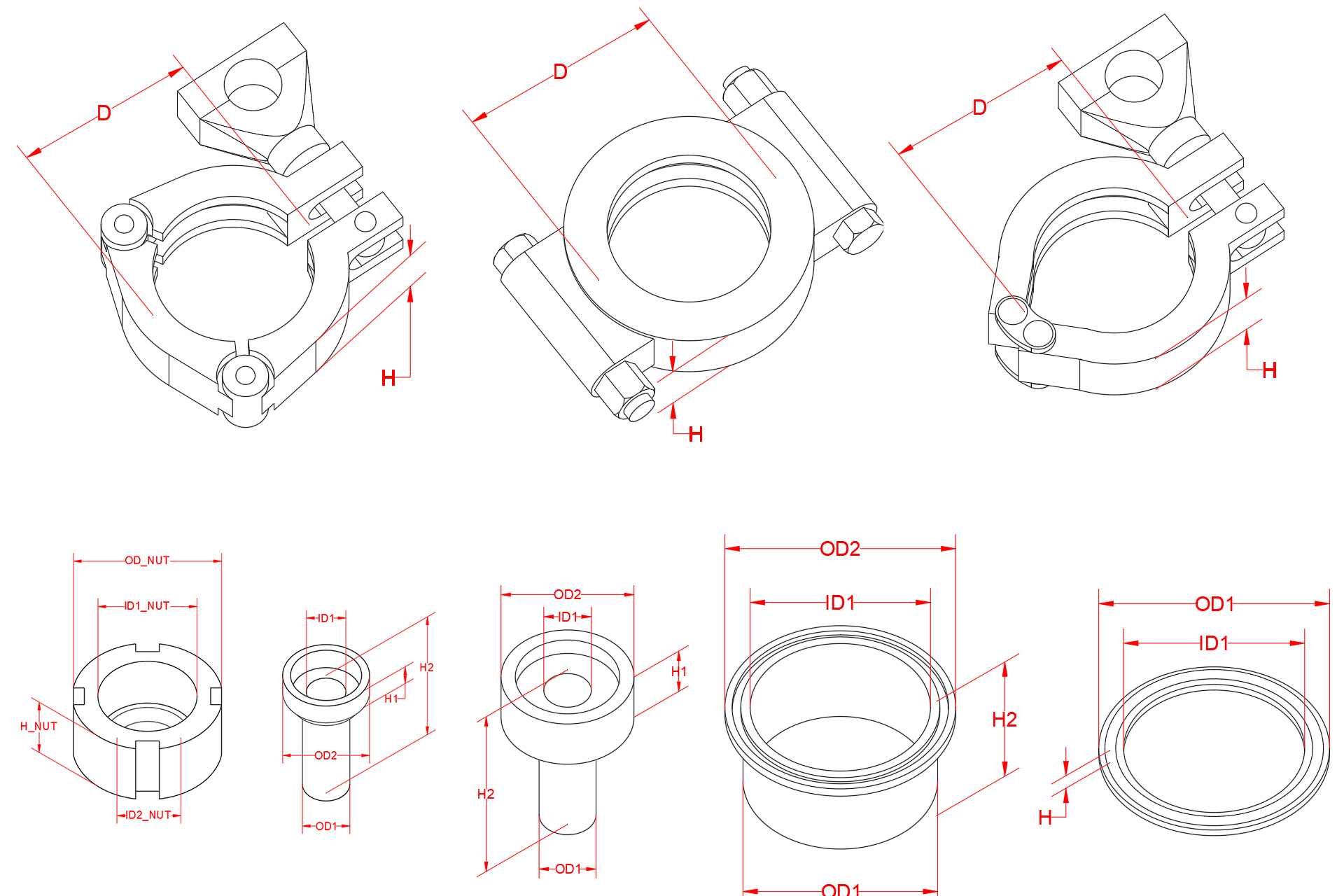
- The clamp is a type of fastening, so you cannot see it in the Palettes; it only shows Coupling and Ferrule.
- Connect the Ferrule to a pipe and continue drawing the Clamp, and the Gasket will automatically fit into the pipe.
- To change the type of Clamp or type of gasket, please press “CTRL+ LEFT MOUSE” on the objects and select a small arrow yellow button on the right. Currently, you can change up to 3 types of clamps: common 2-segment type, 3-segment type, and high-pressure type.
For clearer information, please check the General instruction PDF file that comes with the package.
Commands
Installation/Uninstallation
Step 1: Install the packages
• Windows 10\11: C:\AutoCAD Plant 3D 2026 Content\CPak KLT Python for Tri-Clamp and Coupling
The package automatically locates the latest version of your Autodesk® AutoCAD® Plant 3D™, if you have multiple versions of Plant 3D please change the location to which version you want.
Step 2: Open Plant 3D and open an arbitrary drawing, typing the command: “PLANTREGISTERCUSTOMSCRIPTS” to register the custom script.
Step 3: Open Plant 3D Spec Editor (run as administrator) and open the file “PythonClamp.pcat” This catalog is pre-built for compatibility with DIN 11850, but you can change dimensions to fit with any standard.
Step 4: Add the component from Catalog to your current spec and start modeling.
For clearer information, please check the General instruction PDF file that comes with the package.
To uninstall this content pack, please go to Control Panel => Programs and Features => select the "KLT Python for Tri-Clamp and Coupling" => Uninstall
Additional Information
Known Issues
Contact
Author/Company Information
Support Information
Please contact me via Email: support@khailongtech.com.
Version History
| Version Number | Version Description | 
|---|---|
| 3.0.0 | Update installer. | 
| 2.2.0 | Update to Plant 3D 2026. | 
| 2.1.3 | Update installer. | 
| 2.1.2 | Change payment model | 
| 2.1.1 | Update to Plant 3D 2024 | 
| 2.0.0 | Add license. | 
| 1.0.0 | Initial release | 
 
                                        
                                     
                                        
                                     
                                        
                                    