
ASME Valves Python Content Pack
설명
Disclaimer: This package is fully Python Script including valves, pipes, and connectors. Piping OD compatible with ASME Standard. This app is not affiliated with, endorsed by, or associated with The American Society of Mechanical Engineers (ASME). The term 'ASME' is used for reference purposes only to indicate compatibility with ASME standards.
This comprehensive catalog is ready to use and widely utilized in a variety of industries: Food and Beverage, Chemical and Petrochemical, Pharmaceutical and Biotechnology, Oil and Gas, etc.
- All Valves are parametric Python parts so you can adapt to your standard if needed.
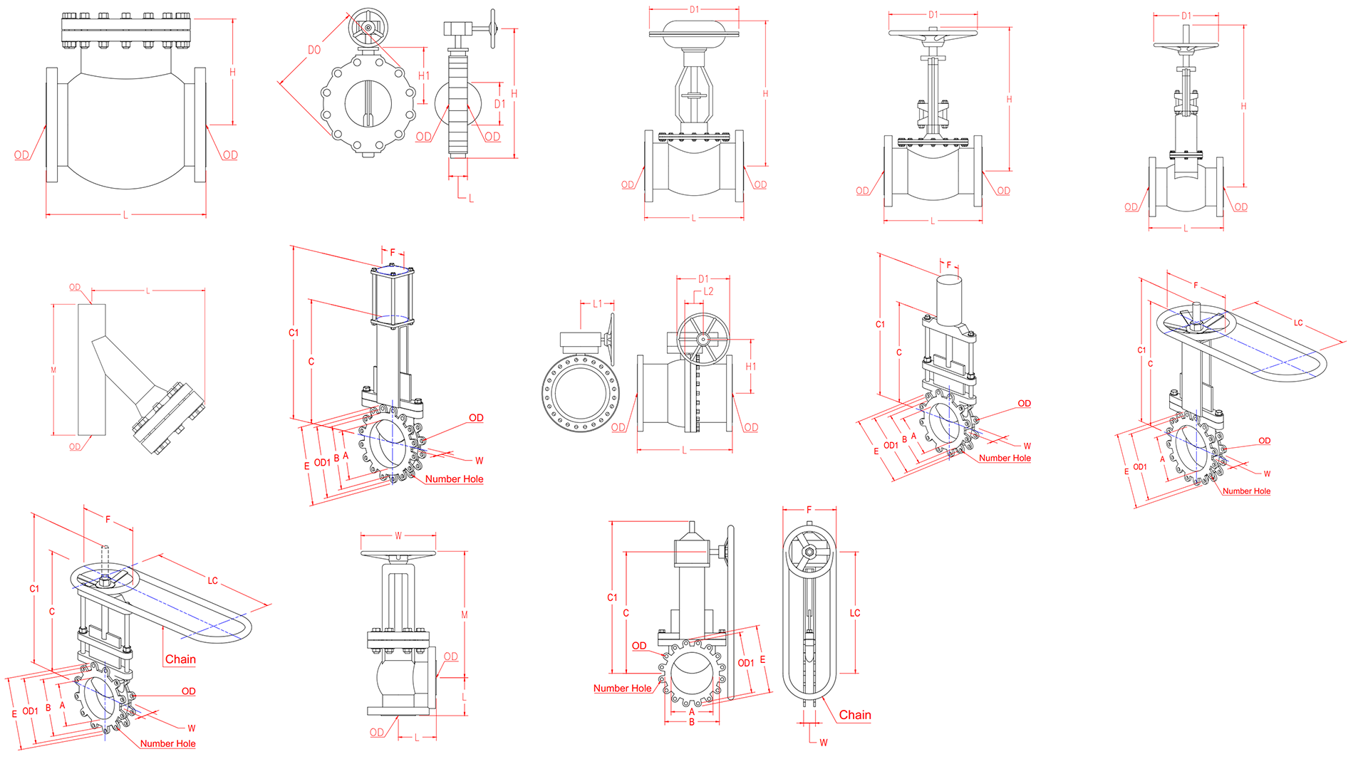
- Valve parameters and preview pictures are shown in the Properties, so you can quickly check the dimensions.
- Metric and Imperial versions already included.
- Different classes available: #150 #300 #400 #600 #900 #1500 #2500
Isometrics for all the parts are already set and ready to be generated.
Pipe and valve connectors are included in the catalog, feel free to adapt to your own standard. If you need to change the valve handle or connection type please check the manual for which number should be used.
For the list of components, please check the screenshot which includes, and also table below.
Note:
This app uses a custom installer (and not the standard App Store installer).
With payment method other than Paypal, please visit our Website: pipingcontent.com
List of components:
Size | Item names |
BlindDisk | |
20-850 | Top Hat Strainer, FL, RF, 150-300 LB |
20-850 | Witch Hat Type Strainer, FL, RF, 150-300 LB |
BoltSet | |
15-1500 | Bolt Set, RF, 150-2500 LB, Machine Bolt |
15-1500 | Bolt Set, RTJ, 150-2500 LB, Machine Bolt |
Coupling | |
40-600 | Axial-Expansion Joints With Fixed Flange Ends, FL, RF, 300 LB |
40-1000 | Lateral Expansion Joints With Fixed Flange Ends, FL, RF, 300 LB |
Flange | |
650-1500 | Series A WeldNeck Flange 150-900# RF, RF, 150 LB, ASME B16.47-2009 |
15-600 | Slip On Flange 150-2500# RF, RF, 150 LB, ASME B16.5-2009 |
15-80 | SocketWelded Flange 150-1500# RF, RF, 150-2500 LB, ASME B16.5-2009 |
15-600 | Threaded Flange 150-2500# RF, RF, 150-2500 LB, ASME B16.5-2009 |
15-600 | WeldNeck Flange 150-2500# RF Sch-STD, RF, 150-2500 LB, ASME B16.5-2009 |
15-600 | WeldNeck Flange 150-2500# RTJ Sch-STD, RTJ, 150-2500 LB, ASME B16.5-2009 |
Gasket | |
15-1200 | Gasket, Flat, RF, 150 LB |
15-1200 | Gasket, Flat, RTJ, 300 LB, ASME B16.21 |
15-1200 | Gasket, Flat, Undefined_ET, RF, 300 LB, ASME B16.21 |
15-1200 | Gasket, RF, 150-2500 LB, ASME B16.21 |
Nipple | |
6-150 | Pipe Nipple, Long Type, THDM, ASTM A733, SCH 40 |
Pipe | |
6-1200 | Pipe, Seamless, PL, ASTM A106, SCH 40 |
Valve | |
25-100 | 3 Way Ball Valve, FL, RF, 300 LB |
25-50 | 4 Way Ball Valve, FL, RF, 300 LB |
50-300 | Angel valve, FL, RF, 300 LB |
40-400 | Buttwelded Ball Valve Hand Level, BV, 150-2500 LB |
450-900 | Buttwelded Ball Valve Hand Wheel, BV, 150-2500 LB |
8-900 | Buttwelded Gate Valve, BV, 150-2500 LB |
8-900 | Buttwelded Globe Valve, BV, 150-2500 LB |
8-900 | Buttwelded Swing Check Valve, BV, 150-2500 LB |
50-400 | Buttwelded Y Type Strainer, BV, 300 LB |
15-300 | Diaphgram Valve, FL, RF, 300 LB |
15-300 | Flange Ball Valve Hand Level, FL, RF, 150-2500 LB |
150-900 | Flange Ball Valve Hand Wheel, FL, RF, 150-2500 LB |
15-300 | Flange Control Valve, FL, RF, 150-2500 LB |
8-900 | Flange Gate Valve Hand Wheel, FL, RF, 150-2500 LB |
15-300 | Flange Globe Valve Pneumatic, FL, RF, 300 LB |
8-900 | Flange Globe Valve, FL, RF, 150-2500 LB |
50-1200 | Flange Lug Butterfly Valve Hand Level, FL, RF, 150-600 LB |
50-1200 | Flange Lug Butterfly Valve Wheel Level, WF, RF, 150-600 LB |
15-900 | Flange Swing Check Valve, FL, RTJ, 150-2500 LB |
40-1200 | Flange Wafer Check Valve, WF, RF, 150 LB |
40-1200 | Flange Wafer Check Valve, WF, RTJ, 300-2500 LB |
50-900 | Flange Wafer Type Butterfly Valve Level, WF, RF, 150-600 LB |
50-900 | Flange Wafer Type Butterfly Valve Wheel, WF, RF, 150-600 LB |
15-50 | Gate Valve, SW, 1500 LB |
15-50 | Gate Valve, THDF, 1500 LB |
15-50 | Globe Valve, SW, 1500 LB |
15-50 | Globe Valve, THDF, 1500 LB |
8-50 | Horizone Check Valve, SW, 1500 LB |
8-50 | Horizone Check Valve, THDF, 1500 LB |
250-600 | Knife Gate Valve GearBox Operator, WF, RF, 300 LB |
50-600 | Knife Gate Valve Hand Wheel, WF, RF, 150-300 LB |
50-600 | Knife Gate Valve Hydraulic, WF, RF, 150-300 LB |
25-200 | Relief Valve 150-300# Inlet 150-300# Outlet, FL, RF, 150-300 LB |
15-150 | Split Body Ball Valve Actuator, FL, RF, 300 LB |
15-50 | Threaded Globe Valve, THDF, 1500 LB |
15-200 | Unibody Ball Valve With Actuator, FL, RF, 300 LB |
8-50 | Vertical Check Valve, SW, 1500 LB |
8-50 | Vertical Check Valve, THDF, 1500 LB |
15-50 | Y Type Strainer SocketWelded, SW |
15-50 | Y Type Strainer Threaded, THDF |
50-400 | Y Type Strainer, BV, 150-300 LB |
15-350 | Y Type Strainer, FL, RF, 150-600 LB |
So great, but I have few doubts about this pack?
Hi Kevin, - The package is permanent license with unlimited upgrade. - The Python core library was encrypted but the single item wasn't, so you can add/edit to some degree.
Is there a certificate to guarantee the face-to-face dimensions according to ASME?
Hi, an ASME certificate isn't provided, but since the catalog is fully parametric, you're free to edit all dimensions according to your requirements.
Hi, The catalog have both Metric and Imperial version. You can choose which one depend on the type of your project.
Buenas tardes, realicé el pago de la licencia sin embargo no me ha llegado el código de la licencia para instalarlo. quedo atento. Gracias.
Dear Jose We already sent license to your email, kindly check in your spam folder as well. We have just send a second email just in case. Kindly check and contact us via support@khailongtech.com if you have any questions.
This impressive Content Pack is an indispensable tool for any engineer or designer working with piping and valve systems. I recommend it 100%. The attention to detail is evident from the very beginning, offering a complete solution that includes valves, pipes, and connectors.
With the latest update, which has integrated the ability to quickly adapt to different pressure classes, from #150 to #2500, the package is now even more versatile.
Without a doubt, an excellent job by the Khai Long Technology team!
10/10... what can i say? as always, the python packs mr Ing. Quan does are great!!! i appreciate really his effort!!!
Dear Quan,
How does this Python-based catalog affect the performance of the Plant 3D compared to the block-based ones?
Thanks for the effort you put into the catalog diversifying.
The performance I would say it depends on the detail you show in python, for example if you choose to show all hole and bolt it will be a little heavier than not show. But I can assure that almost all the time with the same LOD the python part will be more lightweight than the block-based content. Thank you.
Thanks Quân for great product and very good support. Hope we can update valve with more class in future.
Thanks a Việt
Good afternoon. I am very interested in obtaining this product. However, I need classes 150, 300 and 900.
How can I adapt them to those classes?
I want to be sure if these modifications can be made before purchasing.
Hi you can quickly change valve class to #150 #300 #400 #600 #900 #1500 #2500 by enter the Class value = 150/300 etc.
Greetings,
I have few doubts before purchasing this catalouge.
1. What is the maximum class / rating valve is available?
2. Is socket weld or threaded 3-pieces ball valve is available?
3. How to change the valve open & close position?
Hi Karthick, 1. The default class is #300 but you can adapt to other class 2. 3-pieces ball valve now is only available in flange type, we will update in next release 3. Just change the angle value. Thank you
Thank you for your help and support. All of my issues have been addressed; it now works perfectly, and all of our clients are delighted to see the plant 3D model.
Awesome replacement for the default ASME catalog. if you can replace all the default catalog with more detail items like this it would be great!
Danke
The valves look great with good details. This takes Plant 3D to a higher level of detail. Keep up the good work.
Estimados, favor necesito contactarme con el área de soporte, en las valvulas solo se aprecia la clase 300LB, necesito las clases 600LB y 900LB.
Gracias.
Hi José Israel Cornejo, Thank you for your feedback. Please change the Class parameter to 600/900 to adapt to different classes. You also can contact me for detailed instruction: support@khailongtech.com
Well done.
Once again a nice set of of custom component that definitely give value to design work. It well help other visualise more clearly the type of valves and see the level position on ball valve and butterfly valves. Showing bolt hole is a nice addition.
Hope you will add Taper Plug valves and Taper Twin Plug Valves on your library.