
AVCAD


Digitally signed app
描述
Important note: AVCAD now contains AVCAD Pictorial.
Important note: There is no need for SQL servers. Use Dropbox/Google Drive /Shared Network Disks/OneDrive/etc and work from anywhere!
Please, check an additional software to work with AVCAD and multiple DWG files here: AVCAD Project Manager
This is the Autodesk® AutoCAD® version of AVCAD. If you want to work with AVCAD for Autodesk® Revit®, please refer to this page: AVCAD RV
This is the AutoCAD version of AVCAD. If you want to work with AVCAD for Microsoft® Visio®, please refer to this page: AVCAD V
Check our Premium Databases service if you want regular updates on your databases.
Here is a playlist with all the functionality of AVCAD: link
Here is a free 101 Course of AVCAD
Here is a free 102 Course of AVCAD
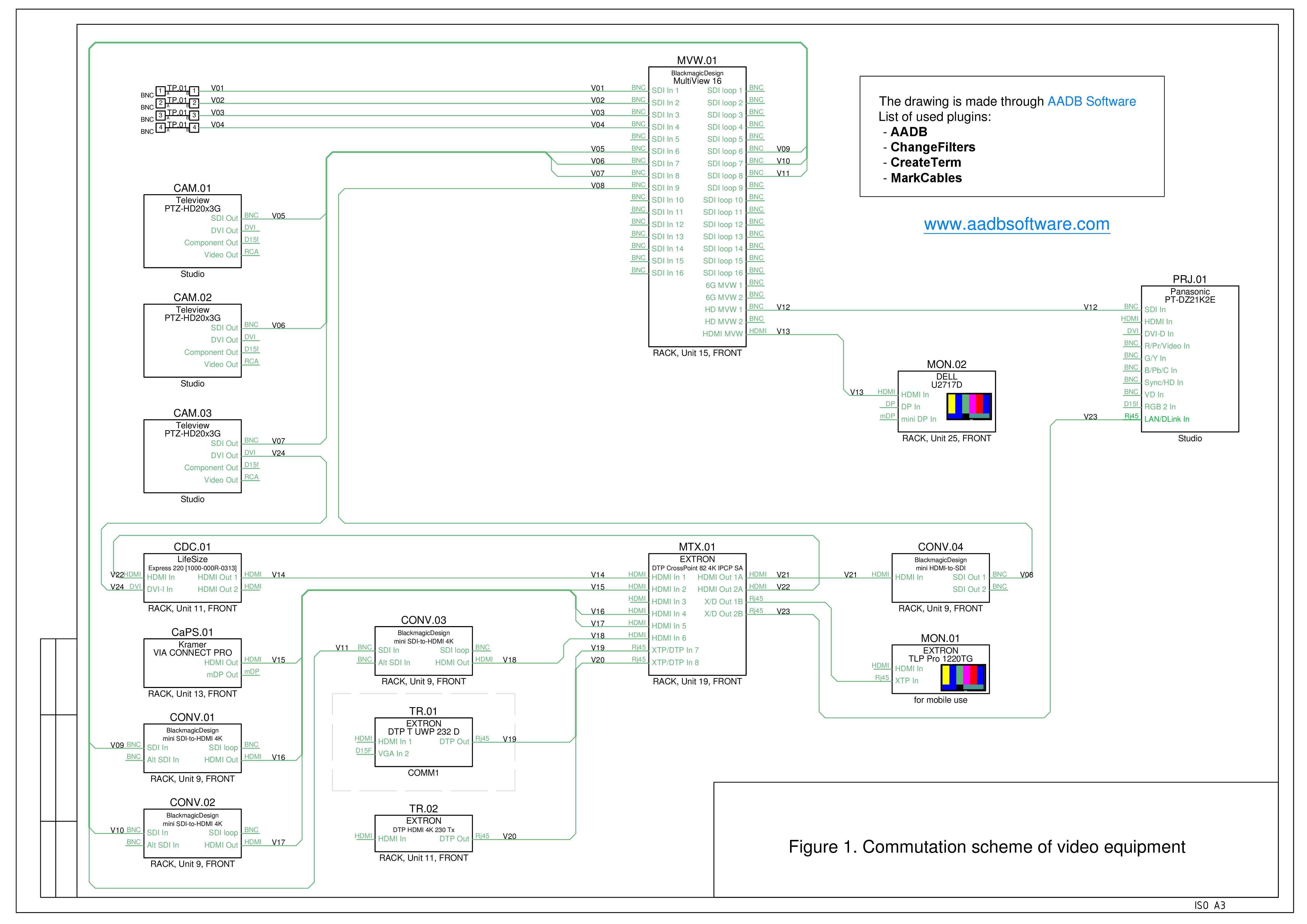
AVCAD helps engineers and designers create Interconnection Block Schematics with engineering information: Rack Layouts, Cable and Equipment Lists, and even more.
AVCAD supports custom parameters such as prices, weight, heat, install time, and many more
AVCAD's purpose is the creation of accurate, detailed, and well-readable schemes along with all kinds of reports using simple and intuitive tools.
1) Block Schematic tools:
Pre-created Equipment Library containing the most common brands used in the AV-IT industry (Crestron, Extron, BSS, Biamp, AJA, Blackmagic, etc.)
Drag and drop the selected devices to the desired location on a drawing.
Default layers for every kind of scheme circuit. Just choose from Audio, Video, Control, Power, etc.
Fast filter changing for distinguishing the types of interconnection.
Fast replacement of the devices on the drawing
Drawing Patch and Termination Panels.
Tools for Cable Drawing and Labelling.
2) Rack Layout Tools:
Creating Rack Furniture
Placing the equipment in the Rack Layout. All devices have their real dimensions.
3) Report Tools:
Cable List
Equipment List
Power Consumption List
IP Tables.
4) User Databases.
AVCAD Database Manager helps you create your own equipment library using a standalone application.
Easy distribution of your databases via Dropbox, Google Drive, and shared disks. No SQL servers are needed.
You can create your own databases using the free standalone app AVCAD Database Manager.
To get the full free library of devices, visit https://www.aadbsoftware.com/support
To get more information, visit www.aadbsoftware.com
Amazing product! Amazing customer service!
We discovered AVCAD in spring of 2021. We're a small AV integration firm with roughly 20 employees and only one CAD tech. Since installing AVCAD, we've noticed a pretty significant decrease in the amount of time it takes our CAD tech to produce project documentation. The time savings has more than paid for the annual subscription and the consistency of our documentation has improved dramatically. It's not often you can find a product that allows you to do better work in less time.
Denis has really created a great product and he provides excellent support.
The software is really good and the support is fast and clear"
I have been using various design software for schematics for quite a while. I've used Visio based versions and CAD based versions. For the most part they all do the same thing. Namely they allow you to create a drawing of a system and keep track of the equipment, wires and various other things. Until I found AVCAD I also had to pay for and work around the other offerings that always seem to come with these types of applications. Namely features like sales and inventory tools. I was always irritated at the large portion of the software that I didn't use and that usually got most of the new features. Oddly, it was an old feature that got me looking around again and that feature is feathers. I don't use them all the time but it's very nice to have them when you need them. Anyway I found AVCAD and tried the free demo and I haven't looked back. I actually cancelled my 6 year subscription to the other software manufacturer and I'm happily creating the documents I need to create with AVCAD. I also can't speak highley enough about the tech support. I had issues getting the license to register with CAD when I bought the software and again when I upgraded to 2023. Both times I heard back from AADB in less than 30 minutes and was up and running shortly after that. If you need to do these kinds of documents I can not recommend this software enough.
Matt
Absolutely phenomenal plugin that has been very well thought through. Support is stellar as well. 100% reccomended for anyone in the AV industry.
This plugin is a genius creation. More importantly, customer service is very nice. Every time I ask for technical help by email, they responds in less than 30 minutes with patience and kindness. Highly recommended
I have been doing this for almost 20 years and if you are using AutoCAD, I can say that AVCAD is the best plug-in for creating professional AV Systems drawings.
Denis and team has always provided prompt and excellent service.
I highly recommend you try AVCAD if you are looking for a professional tool to create AV drawings.
The best solution I've seen for designing and storing information about multimedia and IT systems. Huge customization possibilities, which makes it possible to go beyond the design of only AV systems. Now I'm doing documentation and data center architecture using the plugin. The quality and speed of creating L1 circuits has increased by an order of magnitude.
Can I try the latest version?
Hi Eric. Sure. Just contact us on support@aadbsoftware.com
The AVCAD software is simple and intutitive. Withing minutes i was up and running. It blows away every other program and workflow i ever used by a longshot!
The tech support is also the best i have i ever received in my life for any product i have ever purchased. EVER!!
For anyone needing to do AV drawings there is simply nothing that comes to close to this amazing team and product!
This set of tools has streamlined my workflow and consolidated several tedious, time-consuming task down to one fairly simple task. Now I build a schematic, and all of my device and cable labels are created and sorted automatically, I have a wire pull schedule to hand off to my data contractor, all labels are validated and checked for redundancy. Denis has beed incredibly helpful and responsive, taking time to give me remote tutorial support. You will see an ROI on a yearly subscription in just a couple days of using this plugin!
I can email them at anytime with issues or ideas to improve there software and they respond very quickly. A bunch of the ideas i have given them have made it into the system via updates that come often.
I fully concur. Denis and his team are TOP NOTCH. I almost feel like his team is an extension of mine. Extremely fast response time and always solutions-based. I haven't heard no from Denis to date!
This plug in is excellent for our company .
The blocks are completely detailed and consistent, really perfectly well done.
Rack Info & EngSpec is a great tool as well. honestly I would not be choosing any other tool to implement in our company other than AViCAD.
I honestly cannot believe this is the first review of this product. It is absolutely amazing for block creation. It is chock full of additional features. AV/ME engineers, you HAVE to get this. It will make your life so much easier.