
Python for Tri-clamp and coupling
Descrição
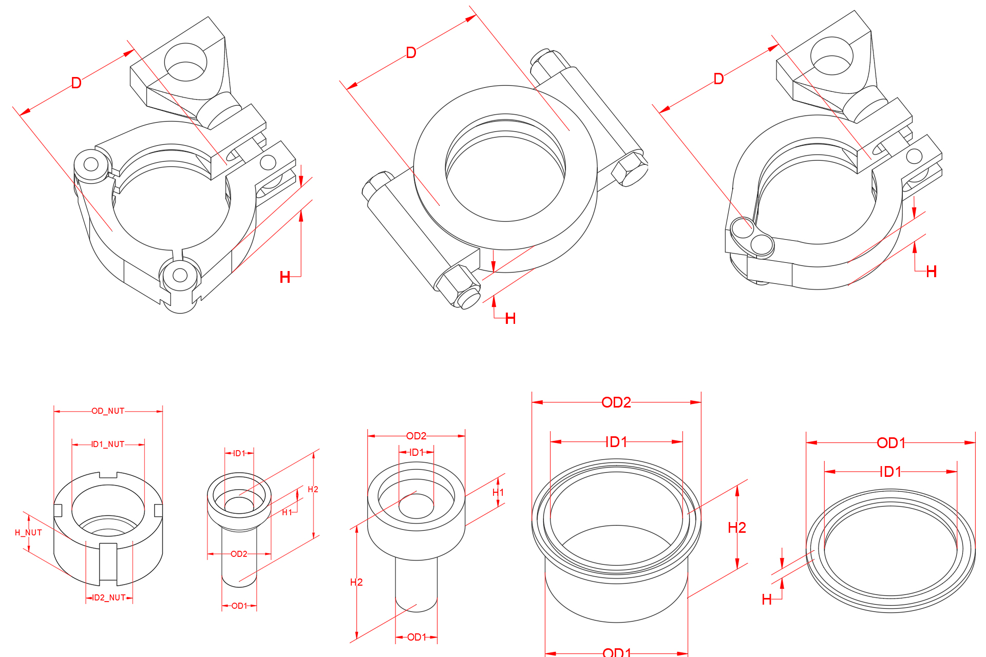
This catalog includes the 3 most common types of clamps: 2-segments, 3-segments, and high-pressure clamp and coupling. It comes with the Ferrule and gaskets, which automatically connect with the clamps. Isometric symbols for all are well constructed and displayed.
All components are custom Python scripts. The app also comes with a pre-built catalog for these standards: DIN-11850 Series 2, EN-10357 Series A, DIN 11866 Series A. Pipe OD: 13 - 19 - 23 - 29 - 35 - 41 - 53 - 70 - 85 - 104mm.
You can change the dimension to fit with any standard you want to use, just change the ID and OD of the pipe in the catalog.
- Normal clamp 2-segments DN10-DN150
- Clamp 3-segments DN10-DN150
- Clamp high-pressure DN10 - DN150
- Coupling DN10 - DN100
- Gasket DN10 - DN150
- Ferrule DN10 - DN150
Note:
This app uses a custom installer (and not the standard App Store installer).
With a payment method other than PayPal, please visit our Website: pipingcontent.com
Very helpful catalog, couplings and clamps looking really very good. Easy to use, 24/7 support from the developers for any troubleshooting and questions.
It is hard to make certain fittings of Plant 3D look good while being easy to work with. This catalog is a surprising exception! Easy to understand sizes and settings, great looking clamps, and a great range of products from the developers.
5/5.
Nice app. How can I change to different type of clamps, now it only show high pressure type?.
Hi Werner, Thank you for taking time to review the app. In order to change the type of Triclamp you need to press "CTRL+LEFT MOUSE" and yellow arrow appear so you can switch to other clamps.