CCtools 2021

Digitally signed app

a
Système d'exploitation:
Langue:

Description

CCtools was developed by cadconsulting, s.r.o. to facilitate the design and administration of the BIM model. CCtools are not adding any additional code to the BIM model and use standard Autodesk® Revit® tools. Any model, that was designed and created with the use of CCtools stays 100% compatible. 

 

General tools to manage model 

 

  • Automatic Save
    • Automatically saves the project according to the set interval.
  • Clean
    • Cleans patterns of fillings and lines, materials, and displays clean unused.
  • Link Checker
    • Monitors linked RVT files and calls for an update in case of an outdated link.
  • Show Worksets
    • Allows the permanent view of temporary worksets display for all views.
  • Display Element ID
    • Enters element ID or GUID into the parameter.
  • Last Edit
    • Fills parameter EDITED BY with time and username regarding the last modification of the element.

 

Quick & efficient work with Sheets and Schedules

 

  • Duplicate Sheet
    • Creates a copy of drawing including views and tables.
  • Merge and Copy
    • Merge more parameter values into one text parameter.
  • Bulk Export & Import Excel
    • Bulk export of schedules to a TXT or XLS file with an option to import modified Excel files back into schedules.
  • Flat Generator
    • Creates sets of drawings for each flat unit.

 

To save time and effort,...

 

  • Openings
    • Automatically generates openings in the walls and ceilings or copies openings from the linked file into the current project.
  • Split Duct
    • Splits ducts/pipes according to the specified lengths.
  • Junction
    • Connects two selected elements (Pipe, Accessories, or Mechanical Equipment,... ).
  • Swap Elbow & Swap Branch
    • Swaps 90° elbow for two 45° elbows or swaps 90° elbow for 45° branch and 45° elbow.

 

 

No more manual parameter filling and tagging (and if so, then easier than ever)

 

  • Dimensions
    • Automatically places the height of the openings and sill below the dimension line.
  • Room Finish
    • Lists the floor and ceiling name to the Floor / Ceiling Surface parameter.
  • Headroom
    • Calculates and lists the maximum and minimum headroom into the parameter.
  • Total Room Area
    • Room net area including door/window nitches 
  • Coordinates
    • Lists the current coordinates of an element from the local and global origins to the parameters.
  • Standpipe Symbols
    • Places appropriate symbols on standpipes in a floor plan.
  • Standpipe Tags
    • Finds standpipes in the floor plan and tags them with text from parameter STANDPIPE MARK.
  • Duct Tag
    • Adds tags to flanges on the selected duct network.
  • Flip Tag
    • Flips tag using the duct center line as a mirror axis.
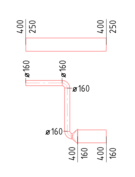
  • Create Duct Dimensions
    • Automatically creates duct dimensions (real or rounded value) in a current view.
  • Flip Dimension
    • Flips selected dimension using duct center line as a mirror axis.

 

And many other such as

 

  • Separators from DWG
  • Space/Room of the element
  • Height BE, TE
  • Door Orientation
  • Rotate Fan
  • HVAC Schedules 

 

Additional purchase information


With the purchase of this version you automatically receive all the older available versions of the plugin. Example: If you purchase 2021 version of this plugin you will get 2020 and 2019 version for free!

To claim your free license reach to us on developers@cadconsulting.cz and we will send you your additional codes.

A propos de cette version

Version 2.0.910, 13/09/2021
Added 2 new tools


Captures d'écran et vidéos


Avis des clients

0 avis
Obtenir une aide technique
Haut