
EasyPower Integrator


Digitally signed app
Description
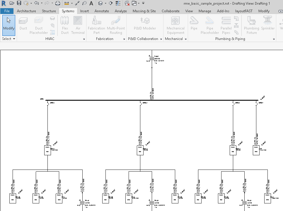
EasyPower Integrator is the Autodesk® Revit® add-in that integrates with the EasyPower electrical power system software by exchanging model data, analysis data, and design data between the two programs. The add-in reads the Revit model for power equipment with all the families, types, parameters including connectivity, and circuit details, which enables EasyPower to automatically and instantly create a complete one-line (single-line) drawing with the electrical data needed for electrical analysis. The add-in allows Revit users to export data to EasyPower users. This gives them access to Building Information Modeling (BIM) data within EasyPower. The add-in also imports the results of electrical calculations such as short circuit, arc flash, electrical design, and voltage drop as parameters associated with individual equipment in the Revit model.
This product works with Revit versions 2021, 2022, 2023, 2024, and 2025. EasyPower version 2025 or higher. An EasyPower Integrator license is required to exchange data with Revit. To try out or purchase EasyPower software, go to the website https://www.easypower.com/pricing-and-demo.
Features
- Automatically and instantaneously create one-line (single-line) diagrams in EasyPower with Revit electrical model data. You can import or link the CAD drawing to your Revit project.
- Import key results of analysis and design as parameters into the Revit model.
- As your Revit model goes through revisions, update your EasyPower project in seconds. View differences in the model revisions and accept or reject changes during the import to EasyPower.
- Capture all relevant parameters from Revit families and instances and populate EasyPower equipment data for analysis and design
- Flexible and user-friendly tools to map data between Revit and EasyPower:
o Map Revit equipment families, properties, and circuit parameters to desired EasyPower equipment type and properties.
o Built-in powerful default mapping.
o Save and reuse mapping configurations with any project.
o Instantly view mapped results for Revit instances while customizing.
Benefits
- Avoid duplication of effort and risk of error in creating one-line diagrams and entering equipment parameters.
- Avoid the frustration of redoing work after revisions are made to the Revit model.
- Comply with codes and standards (NEC, NFPA 70E, ANSI, IEEE) for short circuit rating, arc flash mitigation, and safe design.
- Save time using EasyPower’s powerful automated SmartDesign™ tool for sizing cables, circuit breakers, panels, switchboards, transformers, and other equipment.
Note: This app uses a custom installer (and not the standard App Store installer).